根据医院安排,我院总务处对护士站治疗柜定制采购项目进行公开招标,有关事宜公告如下:
一、投标人资格要求:
(一)报名以书面形式报名,以下材料须提交装订成册并加盖单位公章的复印件,资料须齐全且有效,所有报名资料现场查验原件。否则,招标人保留拒绝其参加投标的权力。领取招标文件时须携带资料:详见初步评审表。如委托他人,授权人需提供法人代表授权委托书原件(授权委托书必须有法人代表签字、法人电话)。供应商还应符合如下条件:具有独立承担民事责任的能力;遵纪守法、规范经营具有良好的商业信誉和健全的财务会计制度;具有履行合同所必需的硬件条件和专业技术能力;在经营活动中没有重大违法记录。(投标人不得提供虚假材料,无提供虚假材料投标的历史行为,且不得为“信用中国”网站(www.creditchina.gov.cn)中列入失信被执行人,也不得为工商行政管理机关在国家企业信用信息公示系统(gsxt.saic.gov.cn)中列入严重违法失信企业。(提供“信用中国”网站及国家企业信用信息公示系统查询供应商信用记录的截图打印稿并加盖投标单位公章);)
(二)参投单位应本着服务于医院,公平、公正、公开的参与本次投标,不得哄抬价格,弄虚作假,损害医院利益。
(三)投标时各投标单位需提交五金、铰链、合页板导轨、面板(实木颗粒板)、人造石台面等样品。
配件品牌要求:甲方推荐以下品牌
实木颗粒板品牌:兔宝宝、莫干山、圣象
人造石台面品牌:华讯、宝丽、米绮丽、戈兰迪、欧雅典
五金铰链:顶固、汇泰龙、坚朗、雅洁、固特
导轨:海福乐、汇泰龙、顶固、固特
锁具:固特、卡贝、樱花、“BMB”
或同等级别品牌,开标后中标单位留存样品,其他单位退还。
二、供货期:一次性合同
三、交货及验收方式:货物按甲方要求的时间、款式、颜色及具体定制尺寸等需求送到指定地点。全部安装完毕后,甲乙双方配合以供货清单进行验收。
四、付款方式:甲方验收合格后开出正式发票(增值税普通发票)
五、验收标准:
1、乙方供货产品必须与招标标准样本规格、型号、材质、质量颜色等保持一致。
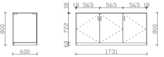
2、控制价:每套定制柜控制价为2.85万元(附A9护士站定制柜尺寸图),尺寸根据实际需求测量,按照实际尺寸计算价格。
| 治疗柜报价单(A9心内科) | |||||
|---|---|---|---|---|---|
| 序号 | 材质 | 图示 | 材质说明 | 单位 | 合计数 |
| 1 | 实木颗粒板下柜 | ![]() |
1、基材:优质进口实木颗粒板,甲醛释放量符合国家E1级国际环保标准;具有耐磨、抗刻划、耐高温、易清洁、耐酸碱等优点,经防虫、防腐处理,表面握钉力及静曲强度均达到国家标准。 | 米 | 6.65 |
| 2 | 实木颗粒板上柜 | 米 | 5.22 | ||
| 3 | 抽屉 | 套 | 9 | ||
| 4 | 抗污石英石台面 | 米 | 6.65 | ||
| 5 | 不锈钢水池水龙头 | 套 | 1 | ||
| 6 | 污物处置柜 | ![]() |
2、粘胶:德国进口“DORUS”环保粘胶剂,甲醛释放量符合国家E1级环保标准。 3、封边:上海“兄奕”PVC封边,厚度≥2mm; 4、配件:德国“海福乐”导轨、“BMB”锁,锁的互开率小于等于千分之二。合资厂生产优质扣件。 ![]() |
套 | 1 |

电话:0551-64272019(预约挂号) 0551-64286009(急诊) 0551-64272108(体检中心)
地址:安徽省合肥市北二环砀山路1868号(主院)
安徽省合肥市黄山路199号(南区) 安徽省合肥市临淮路1号(临淮路院区)
举报:ahs2yjj@163.com 举报电话:0551-64286067 皖公网安备 34019002600115号 皖ICP备15005307号-1
